О драйвере двухполярного блока питания с Алиэкспресс
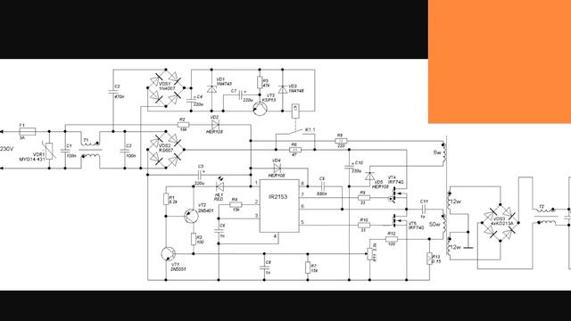
Решил рассказать немного подробнее о драйвере двухполярного блока питания для усилителя, ремонтом которого занимался на одном из своих редких стримов. В процессе небрежной эксплуатации в блоке питания сгорели силовые ключи, и потянули за собой плату драйвера, которая защищена от внешнего мира пластиковым корпусом и компаундом. Но китайцы решили, что этого мало, и стерли название ШИМ контроллере с корпуса микросхемы. В видео подробно покажу эту секретную плату с еще более секретной микросхемой, а также примерную схему данного драйвера силовых ключей. Купиьть блок питания - http://ali.pub/4n2993 Ссылка на стрим – https://www.youtube.com/watch?v=hL__FPiVL6w Ссылка на обзор блока питания - https://www.youtube.com/watch?v=o0OCC04A-h4 Второй канал - https://www.youtube.com/channel/UCmFShoAkY07TBzOdHMsaO1w Группа ВК – https://vk.com/radioblogful Партнерская сеть BroadBatdTV – http://bbtv.go2cloud.org/SHzr Инстаграм - https://instagram.com/radioblogful
Решил рассказать немного подробнее о драйвере двухполярного блока питания для усилителя, ремонтом которого занимался на одном из своих редких стримов. В процессе небрежной эксплуатации в блоке питания сгорели силовые ключи, и потянули за собой плату драйвера, которая защищена от внешнего мира пластиковым корпусом и компаундом. Но китайцы решили, что этого мало, и стерли название ШИМ контроллере с корпуса микросхемы. В видео подробно покажу эту секретную плату с еще более секретной микросхемой, а также примерную схему данного драйвера силовых ключей. Купиьть блок питания - http://ali.pub/4n2993 Ссылка на стрим – https://www.youtube.com/watch?v=hL__FPiVL6w Ссылка на обзор блока питания - https://www.youtube.com/watch?v=o0OCC04A-h4 Второй канал - https://www.youtube.com/channel/UCmFShoAkY07TBzOdHMsaO1w Группа ВК – https://vk.com/radioblogful Партнерская сеть BroadBatdTV – http://bbtv.go2cloud.org/SHzr Инстаграм - https://instagram.com/radioblogful
