Электронная защита по току и просадок напряжения, схема, тест, различные доработки и улучшения.
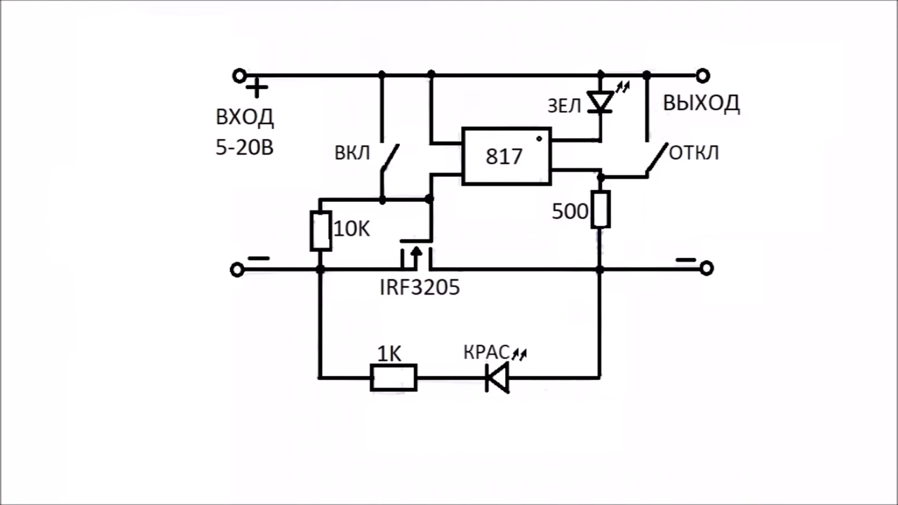
Рассмотрим очередную схему с применением полевого транзистора и оптопары, подойдёт в блоках питания и для защиты аккумулятора от переразряда.
Рассмотрим очередную схему с применением полевого транзистора и оптопары, подойдёт в блоках питания и для защиты аккумулятора от переразряда.
