Ремонт дешёвой гирлянды
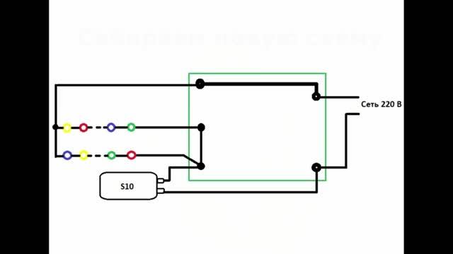
В данной гирлянде перегорели радиодетали в схеме мигания. Вариант ремонта удалить все детали и сделать эффект мигания при помощи стартёра S10 для люмминисцентных светильников. Но нужно контролировать его нагрев, чтобы корпус хорошо обдувался воздухом и не оставлять гирлянду без присмотра включенную в сеть. Можно сделать без стартёра напрямую, тогда лампочки будут постоянно светиться. Подборка работ по бытовой электрике и не только: https://www.avto-elektrika-shema.ru/index/bytovaja_ehlektrika/0-155
В данной гирлянде перегорели радиодетали в схеме мигания. Вариант ремонта удалить все детали и сделать эффект мигания при помощи стартёра S10 для люмминисцентных светильников. Но нужно контролировать его нагрев, чтобы корпус хорошо обдувался воздухом и не оставлять гирлянду без присмотра включенную в сеть. Можно сделать без стартёра напрямую, тогда лампочки будут постоянно светиться. Подборка работ по бытовой электрике и не только: https://www.avto-elektrika-shema.ru/index/bytovaja_ehlektrika/0-155
